南方離心泵

應用領域:
車床、電火花、工業清洗設備、過濾系統、加工中心、冷卻裝置
材質:
不銹鋼
產品說明:
南方CDLK,CDLKF非自吸立式浸入多級離心泵,電機軸通過聯軸器直接與泵軸聯接,葉輪導葉采用不銹鋼板沖壓焊接制成,為滿足水槽或容器的安裝深度,可安裝空腔體來改變泵浸入液下深度。
性能及優點:
結構緊湊、維護方便、可選擇的安裝深度、安裝方便
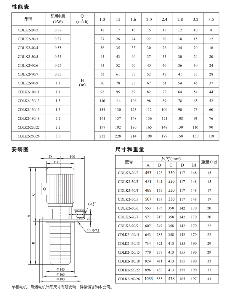
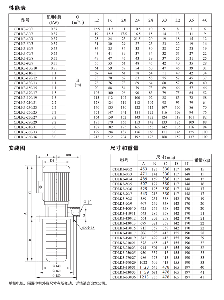
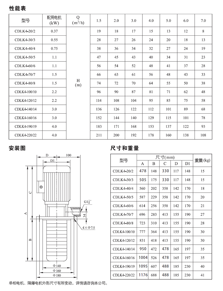
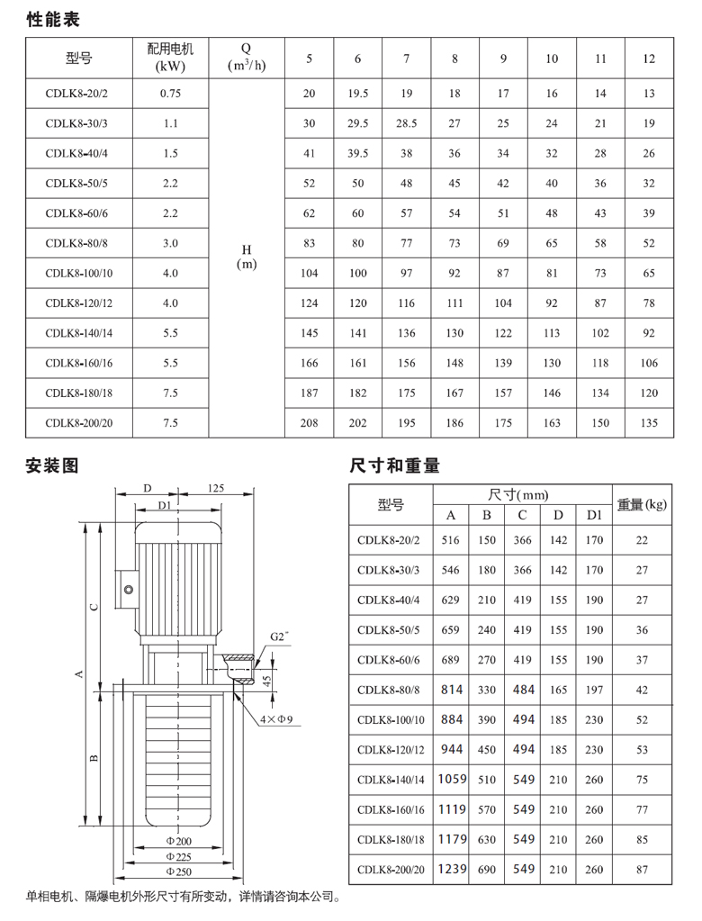
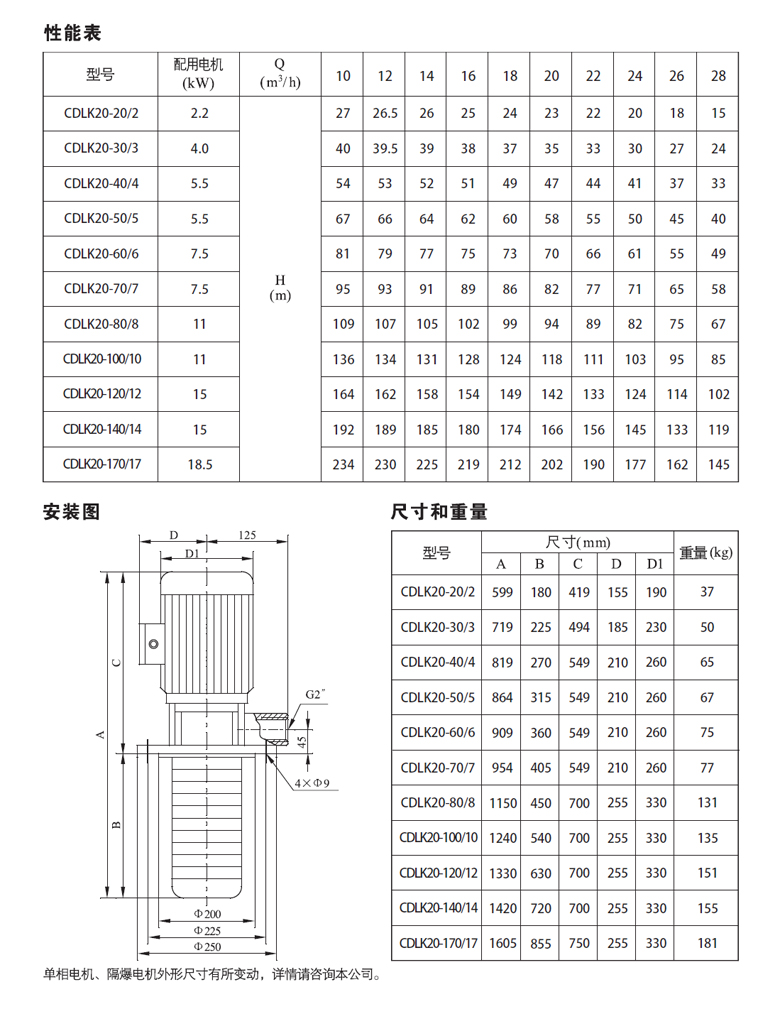
技術參數:
流量:0.4m3/h~65m3/h
揚程:6m~305m
功率:0.37kW~45kW
液體溫度:-15℃~+120℃
頻率:50Hz/60Hz
















相關產品



